Контактор модульный RA 20-11 230V AC
Контактoр RA 20-11 230V AC от компании ETI (Словения) — это компактный модульный контактор, предназначенный для коммутации электрических нагрузок в сетях переменного тока. Благодаря исполнению на DIN-рейку, он идеально подходит как для бытовых распределительных щитов, так и для систем промышленной автоматизации.
Эта модель отличается наличием комбинированной контактной группы, что позволяет реализовывать простые логические схемы или блокировки без использования дополнительных реле.
Технические характеристики
-
Номинальный ток (I_n): 20 А (по категории AC-1/AC-7a — активная нагрузка, например, ТЭНы или освещение).
-
Контактная группа (11): 1НО + 1НЗ (один нормально открытый и один нормально закрытый контакты).
-
Напряжение катушки управления: 230 В AC (50/60 Гц).
-
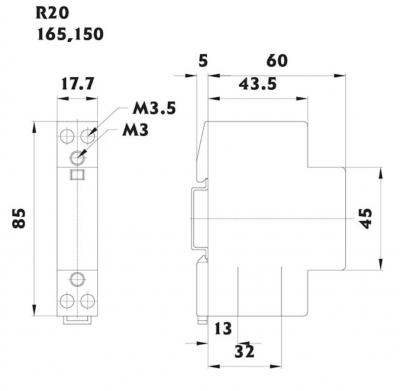
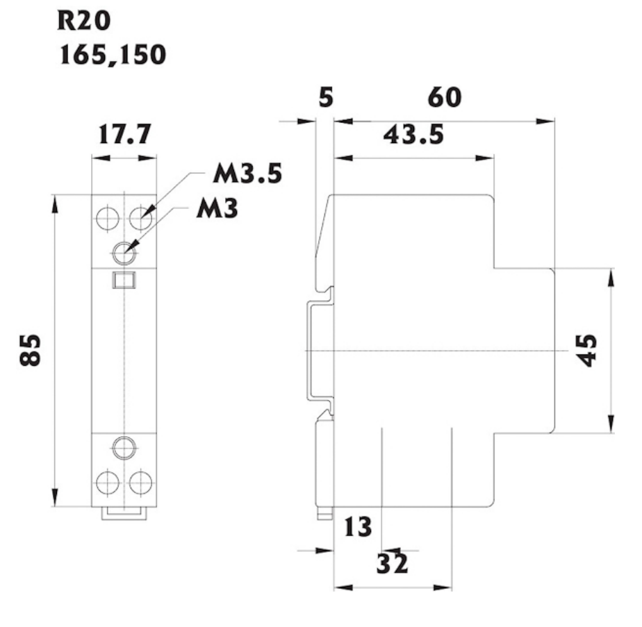
Количество модулей: 1 модуль (ширина 17.5 мм). Занимает одно стандартное место на DIN-рейке.
-
Категория применения: * AC-7a: Бытовые приборы, слабоиндуктивные нагрузки (до 20А).
-
AC-7b: Электродвигатели для бытовых нужд (номинальный ток в этой категории ниже).
-
-
Степень защиты: IP20.
Ключевые преимущества RA 20-11
-
Комбинированные контакты (1НО+1НЗ): Наличие нормально закрытого контакта позволяет использовать контактор для переключения между двумя потребителями или в качестве элемента простейшей автоматики (например, отключение одной группы нагрузок при включении другой).
-
Экономия места: При номинале 20А устройство остается очень узким, что критично при плотной компоновке щита.
-
Бесшумная работа: Серия RA отличается низким уровнем шума при срабатывании и отсутствии гула во время работы катушки, что важно для жилых помещений.
-
Визуальная индикация: На передней панели имеется механический индикатор состояния контактов.
Этот контактор — отличный выбор для систем управления освещением, отоплением и вентиляцией.
Характеристики
|
Напряжение, В
|
230В |
|
Ток
|
20А |








































































